韩国CAS称重传感器MNC-5tf

英文名称:韩国CAS load cell
中文名称:韩国凯士 称重传感器
产品型号:MNC-5tf称重传感器
产品价格:在线询价
产品特性:
l 微型称重传感器
l 体型小巧,精度高
l 防护等级 IP67
l 不锈钢材质
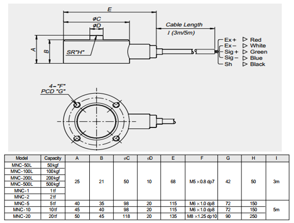
l 量程范围:50L,100L,200L,500L,1tf,2tf,5tf,10tf,20tf
韩国CAS MNC-5tf产品技术参数
|
参数 |
单位 |
值 |
|
额定量程 |
|
50L,100L,200L,500L,1tf,2tf,5tf,10tf,20tf |
|
灵敏度 |
mv/v |
2.0±0.005 |
|
零点平衡 |
mv/v |
0±0.06 |
|
综合误差 |
%R.O |
0.15 |
|
重复性 |
%R.O |
0.05 |
|
蠕变(30分钟) |
%R.O |
0.03 |
|
灵敏度温漂 |
%Load/ ˚C |
0.05 |
|
零点温漂 |
%R.O./ ˚C |
0.10 |
|
推荐激励电压 |
V |
10 |
|
最大激励电压 |
V |
15 |
|
输入阻抗 |
Ohms |
420 ± 30 |
|
输出阻抗 |
Ohms |
350 ± 3.5 |
|
绝缘阻抗 |
Mega-Ohms |
2000 M ohm |
|
工作温度范围 |
°C |
-10 to + 40 |
|
温度补偿范围 |
°C |
-20 to + 80 |
韩国CAS MNC-5tf产品尺寸图

韩国CAS MNC称重传感器所有型号:
MNC-50L称重传感器
MNC-100L称重传感器
MNC-200L称重传感器
MNC-500L称重传感器
MNC-1T称重传感器
MNC-2T称重传感器
MNC-5T称重传感器
MNC-10T称重传感器
MNC-20T称重传感器
其它品牌型号称重传感器推荐: