RC3-40t-C3称重传感器,德国FLINTEC RC3-40t-C3柱式传感器

产品品牌:德国FLINTEC,德国富林泰克
产品型号:RC3-40t-C3,RC3-40t-C3称重传感器
产品价格:在线询价
产品特点:
l 摇拄式称重传感器
l 材质:全不锈钢,完全密封
l 通过OIML C1,C3认证
l NTEP 6 000 Class III认证
l 可选FM和防爆认证
l 量程可选:7.5T,15T,22.5T,30T,40T,50T,100T,150T,300T
l 应用于汽车衡、轨道衡,料罐等过程称重设备
产品描述:
德国富林泰克FLINTEC称重传感器的典型应用包括地秤,吊车秤,料斗秤,平台秤,飞机称重传统的杠杆系统规模的系统和转换,适用于固体、人体秤、配料秤、液体流动秤、案秤及精细化工配比秤。德国FLINTEC RC3-40t-C3称重传感器是一款柱式称重传感器,产品选用不锈钢材质,能够使用在恶劣的环境中,产品可选通过C1、C3等精度选择,传感器采用4芯屏蔽电缆,传感器使用是可以提供相应的附件进行安装使用。
RC3-40t-C3产品技术参数:

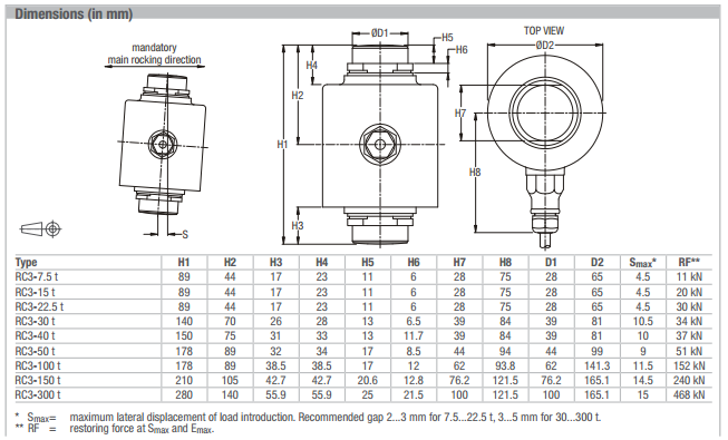
RC3-40t-C3产品尺寸图:

广州洋奕电子专业为您提供德国FLINTEC称重传感器,产品价格优惠货期短,质量保证原装正品,更多Flintec称重传感器价格、尺寸规格,pdf资料,请拨打全国统一客服热线:020-81969785,我们将竭诚为您服务。
德国FLINTEC RC3系列完整型号可选:
RC3-7.5T-GP RC3-7.5T-C1 RC3-7.5T-C3 RC3-7.5T-C3MI8
RC3-15T-GP RC3-15T-C1 RC3-15T-C3 RC3-15T-C3MI8
RC3-22.5T-GP RC3-22.5T-C1 RC3-22.5T-C3 RC3-22.5T-C3MI8
RC3-30T-GP RC3-30T-C1 RC3-30T-C3 RC3-30T-C3MI8
RC3-40T-GP RC3-40T-C1 RC3-40T-C3 RC3-40T-C3MI8
RC3-50T-GP RC3-50T-C1 RC3-50T-C3 RC3-40T-C3MI8
RC3-100T-GP RC3-150T-GP RC3-300T-GP
其它柱式传感器品牌型号产品推荐:
CRS-200kg_美国Trancell CRS-200kg称重传感器
GD-50T称重传感器瑞士Mettler Toledo/托利多
93-50Klb称重传感器_美国Vishay Revere 93-50Klb传感器
上一篇:
RC1-250KN-C3称重传感器,富林泰克RC1-250KN-C3 下一篇:RC3D-30t-C3称重传感器,德国FLINTEC RC3D-30t-C3数字传感器