MP77称重传感器,德国赛多利斯Minebea Intec传感器MP77
	
 
英文品牌:Sartorius load cell
中文品牌:赛多利斯称重传感器
产品名称:MP77称重传感器
产品价格:在线询价
产品特点:
l MP77波纹管传感器由不锈钢制成
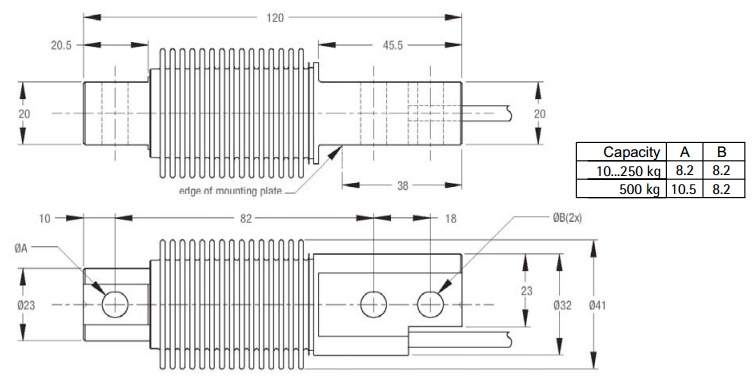
l 可用于10kg至500kg的称量范围
l 保护等级IP67
l 具有防水防湿功能
l 全不锈钢结构
l 能兼容其它资源
l 密封焊接(IP68防护等级)
l W&M认证(符合OIML R60)
l 量程范围:10,20,50,100,200,250,500Kg
l 这种传感器是专为称量台和简易称重漏斗用途设计的
MP77称重传感器产品尺寸图:
	
 
德国Sartorius称重传感器MP77系列所有量程可选:
MP77/ 10kg C3MR MP77/10kg C3MR E
MP77/ 20kg C3MR MP77/20kg C3MR E
MP77/ 50kg C3MR MP77/50kg C3MR E
MP77/ 100kg C3MR MP77/100kg C3MR E
MP77/ 200kg C3MR MP77/200kg C3MR E
MP77/ 250kg C3MR MP77/250kg C3MR E
MP77/ 500kg C3MR MP77/500kg C3MR E
如有对赛多利斯MP77称重传感器有需求,或对产品技术有不明处,可致电020-81969785或留言给我们的技术工程师人员,我们将以最快的速度为您解决疑惑!
其他波纹管式称重传感器热销品牌型号推荐:
  
                   上一篇:
                    MP72/50Kg C3MR称重传感器,德国赛多利斯MP72/50Kg C3MR                     下一篇:德国Sartorius赛多利斯MP79/2268Kg C3MR称重传感器