RL20001-750lb传感器,美国RICE LAKE RL20001-750lb称重传感器

产品品牌:美国RICE LAKE
产品名称:RL20001-750lb,美国RICE LAKE RL20001-750lb称重传感器
产品产地:美国
产品特性:
l S式称重传感器
l 优质合金钢材质,表面镀镍
l 满量程输出:3.0mv/v
l NTEP认证,FM认证
l 防护等级:IP67,封密
l 量程范围:250lb,500lb,750lb,1000lb,1500lb,2000lb,2500lb,3000lb,5000lb,10000lb,15000lb,20000lb
l 应用:试验机,料斗秤,吊钩秤等过程称重设备
美国RICE LAKE RL20001-750lb产品参数表:
|
Full Scale Output |
额定输出 |
3.0 mV/V |
|
Bridge Resistance |
输出电阻 |
350 ohms |
|
Material/Finish |
材质 |
合金钢,表面镀镍 |
|
Temperature |
温度 |
14°F to 104°F/-10°C to 40°C |
|
Seal Type |
防护等级 |
密封,符合IP67 |
|
Safe Overload |
安全过载 |
150% |
|
Rated Excitation |
推荐激励电压 |
10V AC/DC(15V最大) |
|
Nonlinearity |
非线性 |
±0.03% |
|
Hysteresis |
滞后 |
±0.02% |
|
Insulation Resistance |
绝缘电阻 |
5000 ohms |
|
Deflection at Capacity |
量程 |
250lb,500lb,750lb,1000lb,1500lb, 2000lb,2500lb,3000lb,5000lb, 10000lb,15000lb,20000lb |
|
Cable Length |
电缆长度 |
6.1m |
|
Cable Color Code |
导线颜色 |
Red (+激励)、Black(-激励)、Green (+信号)、White(-信号) |
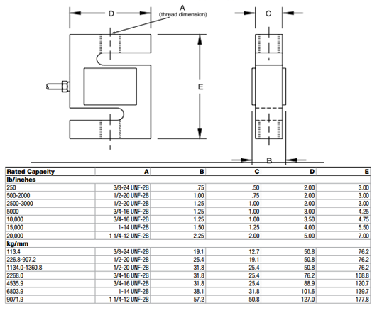
美国RICE LAKE RL20001-750lb产品尺寸图:

美国RICE LAKE RL20001系列其它量程型号推荐:
美国RICE LAKE RL20001-250lb称重传感器
美国RICE LAKE RL20001-500lb称重传感器
美国RICE LAKE RL20001-750lb称重传感器
美国RICE LAKE RL20001-1000lb称重传感器
美国RICE LAKE RL20001-1500lb称重传感器
美国RICE LAKE RL20001-2000lb称重传感器
美国RICE LAKE RL20001-2500lb称重传感器
美国RICE LAKE RL20001-3000lb称重传感器
美国RICE LAKE RL20001-5000lb称重传感器
美国RICE LAKE RL20001-10000lb称重传感器
美国RICE LAKE RL20001-15000lb称重传感器
美国RICE LAKE RL20001-200000lb称重传感器
其他品牌产品型号推荐:
上一篇:
RL20001 HE-1000lb,美国RICE LAKE RL20001 HE-1000lb称重传感器 下一篇:RL30000-1000Lb,美国RICE LAKE RL30000-1000Lb称重传感器