王经理
黄工
李工
罗工
网站标志
产品分类

122-150T传感器,美国Tedea 122-150T称重传感器

122-150T称重传感器

产品品牌:美国Tedea-huntleigh称重传感器,特迪亚称重传感器, Tedea称重传感器

产品型号122-150T称重传感器,122-150T

产品特性:

l  称重传感器

l  防护等级为IP686线制

l  采用不锈钢材质,密封焊接

l  结构紧凑,柱式设计

l  应用:料斗称,漏斗,箱灌称重及其他大型称重设备等

l  量程可选:50-150T

122-150T称重传感器参数表:

PARAMETER

参数

VALUE

Rated capacity-R.C. (Emax)

量程

50t

100t

150t

NTEP/OIML Accuracy class

精度

Non-Approved

Maximum no,of intervals(n)

分度值

2000

Y=Ema*Vmin

2000

Rated output-R.O.

额定输出

1.5 mv/v±0.0015%

2.0 mv/v±0.0015%

Zero Balance

零点平衡

±0.015%

±0.02%

Zero return 30 minutes

零点恢复

±0.0300%

Total Error

总误差

±0.030%

Temp.effect on zero

零点温漂

±0.0030%

Temp.effect on output

灵敏度温漂

±0.0080%

Temperature range

可用温度范围

5°C to + 45°C

Temperature range, safe

温度补偿范围

-20°C to + 60°C

Maximum safe central overload

安全载荷

150%

Ultimate overload

极限载荷

200%

Excitation, recommended

推荐激励电压

10VDC/AC

Excitation, maximum

最大激励电压

15V DC/AC

Input impedance

输入阻抗

670 ohm±15 ohm

1270 ohm±20 ohm

13500 ohm±30 ohm

Output impedance

输出阻抗

600 ohm±5 ohm

1205 ohm±5 ohm

1205 ohm±5 ohm

Insulation resistance

绝缘阻抗

>2000 M ohm

Cable length

线长

15 m

Environmental protection

防护等级

IP68

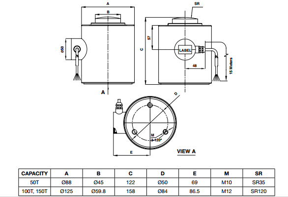
122-150T称重传感器尺寸图:

122-150T称重传感器尺寸图

特迪亚 122系列称重传感器其他型号推荐

122-50T 122-100T 122-150T

称重传感器选择

1.量程选择:一般选择满载设备量程的1.5

2.精度选择:对于量程越小的其精度越高误差越小

3.安装方式:正确的安装方式是测量准确性的前提

专业提供美国tedea 122-150T传感器的详细信息,包括122-150T称重传感器价格,Tedea-Huntleigh 传感器图片,传感器货期,技术参数,请拨打广州洋奕电子全国服务热线:020-81969785

其它热销品牌型号推荐:

GD-50T称重传感器,瑞士Mettler Toledo

CR-10kg称重传感器_美国Trancell

BM14G-C3称重传感器美国ZEMIC

PR6201/24D1称重传感器_德国赛多利斯

分享到:

上一篇: 121-50T传感器,美国Tedea121-50T称重传感器 下一篇:特迪亚220-5T传感器,美国Tedea 220-5T称重传感器

案例分析    |     传感器大全    |     合作伙伴    |     称重传感器    |     压力传感器    |     位移传感器    |     传感器知识    |     公司简介    |     联系方式

版权所有:广州洋奕电子科技有限公司 Copyright© 2012-2018 粤ICP备15043380号


020-81969785 020-81214035 :15017597317 广州市荔湾区中山八路5号隆城大厦