柯力KM02H变送器
	
 
	
产品品牌:柯力变送器,柯力重量变送器
产品型号:KM02H变送器
产品价格:在线询价
KM02H变送器产品概述:
KM-02H型重量变送器结构简单,使用方便,工作可靠,体积小巧,可方便的嵌入各种应用系统。采用两级放大电路,零点与增益分级独立调节,改变增益时不影响零点,现场调节更加方便,前后两级放大电路能在高增益工作情况下改善仪表放大器的稳定性。
产品特点:
l 供电电源:直流15~24V
l 传感器激励电源(重量变送器内部输出):12V,50mA
l 综合精度:优于0. 5%FS
l 频率响应:≦1kHz
l 工作温度范围:0℃~40℃
l 调零范围:-15mV~15mV
l 可调整放大倍数范围:280~2500
l 输出范围:0- 10V;
l 负载:≧10KΩ
l 外壳材质:环保型塑料
l 外壳防护等级:IP65
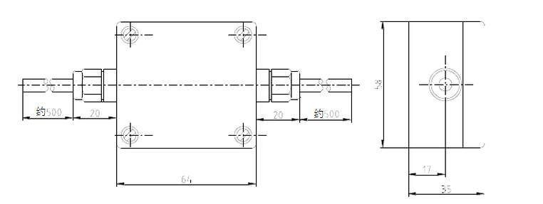
外形与尺寸 单位:mm
	
 
柯力变送器其他型号可选:
KM02变送器
KM02A变送器
KM02H2变送器
KM02H变送器
KM02C变送器
其它品牌变送器型号推荐:
  
                   上一篇:
                    柯力KM02变送器                     下一篇:柯力LFSC-5T称重传感器