0743-13.6T称重传感器瑞士Mettler Toledo/托利多

英文名称:瑞士METTLER TOLEDO称重传感器
中文名称:梅特勒 托利多称重传感器
产品型号:0743-13.6T称重传感器
产品价格:在线询价
产品特点:
l 剪切梁式称重传感器,IP68防护等级
l 不锈钢,密封设计,提供了极好的防腐蚀保护
l 产品易安装,精度高、稳定性好
l 量程可选:9.07T, 13.6 T,20.4T
l 应用:地磅,料罐,料斗秤等称重设备
托利多0743-13.6T产品参数:

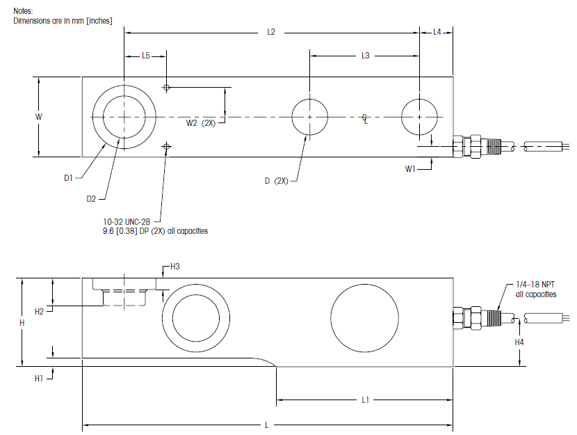
托利多0743-13.6T产品尺寸:

瑞士梅特勒-托利多称重传感器0743系列完整型号可选:
托利多0743-9.70T称重传感器
托利多0743-13.6T称重传感器
托利多0743-20.4T称重传感器
托利多0745A-110kg称重传感器
托利多0745A-220kg称重传感器
托利多0745A-550kg称重传感器
托利多0745A-1100kg称重传感器
托利多0745A-2200kg称重传感器
托利多0745A-4400kg称重传感器
广州洋奕电子科技有限公司专业为您提供各种传感器,放大器,接线盒,仪表,确保厂家货源,原装正品,价格优惠!想了解更多瑞士Mettler Toledo传感器,接线盒,放大器,仪表产品价格、型号以及产品资料,请拨打拨打全国统一服务热线:020-81969785,我们将竭诚为您服务。
Mettler Toledo/托利多其他热销型号推荐:
SBC-2T称重传感器瑞士Mettler Toledo/托利多
PGD-20T称重传感器瑞士Mettler Toledo 托利多
SBD-30t称重传感器瑞士Mettler Toledo/托利多